• 
    • Español
Zhejiang Unite Motor Co., Ltd.Especialistas en Motores Eléctricos
  • Inicio
  • Productos
    • Conjunto de Eje Trasero
    • Reductor de engranajes
    • Controlador de Motor
    • Motores de Corriente Continua sin Escobillas
    • Motores de Imanes Permanentes, con Escobillas
    • Freno Electromagnético
    • Otros Productos
  • Aplicaciones
    • Patinetes Eléctricos, Cuatrimotos & Karts
    • Sillas de Ruedas y Scooters para Movilidad Reducida
    • Equipos de Manipulación de Materiales
    • Vehículos de Limpieza Urbana y Barredoras
    • Motocicletas Eléctricas
    • Triciclos Eléctricos y Triciclos de Carga
    • Carros de Golf & Mototaxis
    • Equipos y Máquinas para Deportes
  • Capacidades
  • Servicios
  • Nosotros
  • Novedades
  • Vídeo
  • CONTACTO
  • Inicio
  • Productos
  • Motores de Corriente Continua sin Escobillas
  • Motores de Tracción
  • Motor de tracción 13000W (sin escobillas), TR210DXF

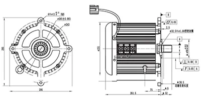
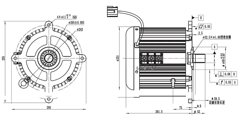
Motor de tracción 13000W (sin escobillas), TR210DXF

Motor de tracción 13000W (sin escobillas), TR210DXF
Motor de tracción 13000W (sin escobillas), TR210DXF
Características

Diseñado para cargas de trabajo exigentes, el motor ofrece una alta capacidad de carga junto con una estructura compacta y eficiente. Su diseño general garantiza una entrega de potencia suave y confiable para el uso diario de carretillas elevadoras.

Aplicaciones

Es adecuado para una amplia gama de carretillas elevadoras contrapesadas eléctricas, lo que garantiza una tracción confiable y una potencia constante en diferentes condiciones de trabajo.

Especificaciones técnicas
Modelo No. TR210DXF
Motor adaptado Motor PMSM
Voltaje nominal (V) 80
Potencia nominal (V) 13000
Potencia máxima (W) 17000
Par nominal (N.m) 27.6
Par máximo (N.m) 170
Revolución nominal (RPM) 4500
Revolución máxima (RPM) 4800
Eficiencia nominal (%) ≥90
Ciclo de trabajo (min.) S2-60
Clase de aislamiento H
Nivel de protección IP65

    Nuestros Productos

  • Conjunto de Eje Trasero
  • Reductor de engranajes
  • Controlador de Motor
  • Motores de Corriente Continua sin Escobillas
  • Motores de Imanes Permanentes, con Escobillas
  • Freno Electromagnético
  • Otros Productos
Otros productos
Motor de Tracción 6000-11000W (Sin Escobillas), TZ210BX-TMotor de Tracción 6000-11000W (Sin Escobillas), TZ210BX-T
Motor de Imán Permanente sin Escobillas, 200W - TF095CHMotor de Imán Permanente sin Escobillas, 200W - TF095CH
Motor de Imán Permanente sin Escobillas 10-15W, GF028AMotor de Imán Permanente sin Escobillas 10-15W, GF028A
Motor de Imán Permanente sin Escobillas,15W - GF033AMotor de Imán Permanente sin Escobillas,15W - GF033A
Consulta
Tags
motor de CC sin escobillas motores personalizados suministro de piezas de vehículos eléctricos fabricación de motores de tracción de CC sin escobillas motores para carretillas elevadoras
UNITE MOTOR se especializa en la investigación y desarrollo, fabricación y venta de motores eléctricos y sistemas de accionamiento de motores, entre nuestros productos principales tenemos motores de corriente continua de imán permanente con escobillas, motores de corriente continua sin escobillas (brushless), reductores, controladores de motores y otros productos relacionados con motores eléctricos.
Como fabricantes profesionales de motores, también podemos ofrecerles a nuestros clientes soluciones de motores personalizados para satisfacer sus necesidades y requisitos precisos de control de motores, logrando así una combinación óptima de eficiencia y costos asequibles. Nuestros motores y sistemas de accionamiento se utilizan en una amplia gama de industrias, incluyendo electrónica, fabricación de automóviles, equipos deportivos, transporte y automatización industrial. Con el apoyo de nuestro completo equipo de fabricación, un equipo técnico especializado y estricto control de calidad, podemos garantizar que cada motor que fabricamos sea de la mejor calidad posible. Gracias a nuestra vasta experiencia y sistema de fabricación avanzado nos hemos convertido socios de confianza en el suministro de motores industriales para clientes en diversas partes del mundo.
Productos
  • Conjunto de Eje Trasero
  • Reductor de engranajes
  • Controlador de Motor
  • Motores de Corriente Continua sin Escobillas
  • Motores de Imanes Permanentes, con Escobillas
  • Freno Electromagnético
  • Otros Productos
Aplicaciones
  • Sillas de Ruedas y Scooters para Movilidad Reducida
  • Equipos de Manipulación de Materiales
  • Carros de Golf & Mototaxis
  • Vehículos de Limpieza Urbana y Barredoras
  • Equipos y Máquinas para Deportes
Capacidades
  • Diseño & Desarrollo
  • Proceso de Fabricación
  • Control de Calidad
Contáctenos
Zhejiang Unite Motor Co., Ltd.
No.287 Lingshi Road, Chengxi Industrial Zone, Yongkang City, Zhejiang Province
info@unitemotor.com
wilsonhan2022@outlook.com
+86-13636372608
+86-579-87253211
Wilson Han
Revisión
Supported by ETW International Inc. USA